HKC-DYZ電能質量優化裝置使用說明
HKC-DYZ電能質量優化裝置
一、概述
隨著高新技術尤其是信息技術的飛速發展,微處理器控制的用電設備和電力電子設備在系統中的大量使用,這些設備對來自系統的干擾比機電設備更為敏感,對電能質量的要求也更高;另一方面,這些設備自身也可能是引起電能質量問題的因素,如何提高用戶的用電質量和用電效率、保護用電設備成為人們日益關注的問題。
二、產品簡介
HKC-DYZ系列電磁式電能質量優化裝置可廣泛應用于各種用電場合,主要針對0.4——10KV用戶用電網絡,可為對電能質量要求較高的各種精密的、復雜的用電負荷提供高效潔凈的電力能源。HKC-DYZ系列電磁式電能質量優化裝置采用創新設計的電磁轉化機構,結合無觸點調節技術和電磁補償穩壓技術使電網用電質量得到極大的改善,具有自動檢測抑制電網諧波、平衡三相有功功率和柔性補償無功功率等多項功能,同時具備過壓、過流、欠壓和缺相等保護,大大降低了電力傳輸的損耗,提高了系統供電的可靠性,穩壓節電效果明顯,廣泛適用于電力、冶金、化工、煤炭、建材、輕工、水利、鐵路交通等行業的電力系統中,其經濟效益和社會效益十分顯著。
三、產品特點
◆裝置采用無觸點電壓調整技術,可以給負載提供穩定的、平滑的電源;
◆裝置采用自動電磁平衡技術,三相一體的電磁轉換器設計可以抑制由負載不平衡造成的系統電壓三相不平衡;
◆裝置中的電磁轉換器是一種高效的能量形態轉換單元,通過勵磁的作用,可將供電系統中的無功功率部分的轉化為有功功率,改善功率因數,降低了無功功率,從而提高了電能利用率;
◆設備主要器件電磁轉換器內嵌惰性器件,可以有效地抑制來自電源側的諧波成分,并可以阻隔感性負載產生的諧波對電網的傳送和影響;
◆裝置是串聯在系統中使用的,為了保證系統的供電安全和后期維護的便利,裝置采用雙旁路供電的安全旁路電路設計,即:手動旁路和自動旁路,當電壓過低或出于檢修的考慮時,可讓裝置自動旁路工作或手動旁路工作;
◆裝置中的電磁轉換器由于選用優質特種磁性材料,使得鐵芯磁場的渦流損失和磁滯損失比一般矽鋼片的損失少得多,幾乎可忽略不計,其自身損耗極低;
◆本產品采用過壓、欠壓、缺相及過流保護等技術,提高了產品運行的安全性。
四、主要功能
◆提供穩定的供電電壓
◆調整系統的三相不平衡度
◆抑制諧波污染
◆提高系統的功率因數
◆降低電機負載的啟動電流
◆抑制瞬流、浪涌
五、型號說明

六、技術參數
|
輸入特性 |
輸入電壓 |
0.4-10KV |
|
電壓偏差 |
±15% |
|
|
輸入頻率 |
50±0.5 Hz |
|
|
輸出特性 |
最大功率 |
≤ 2000kW |
|
穩壓精度 |
±1% |
|
|
三相不平衡度 |
≤ 2% |
|
|
設備損耗 |
空載電流 |
≤ 0.3% |
|
空載損耗 |
≤ 0.5% |
|
|
負載損耗 |
≤ 1% |
|
|
工作環境 |
使用溫度 |
-10℃ ~ 60℃ |
|
相對濕度 |
≤ 90%(+25℃) |
|
|
貯存溫度 |
-25℃ ~ 70℃ |
|
|
大氣壓強 |
86kpa ~ 106kPa |
|
|
海拔高度 |
≤ 2000m |
|
|
工作噪音 |
≤ 40dB(設備一米處測試) |
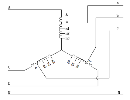
七、裝置原理

A、B、C為電源輸入端,a、b、c為優化輸出端,n1、n2、n3為中性點調零端,N為零線端。
由于三相電壓的三個線圈繞組都分別處在同一個變壓器的三個鐵芯上,巧妙地利用了電向量和磁通向量之間的關系,使三相繞組的相與相之間,不再是相互獨立的關系,而是形成相互關聯、相互作用的統一系統。繞組的相互交叉連接,可以消除各相位間的電壓和電流的不均衡,維持控制其平衡性。當某相電壓升高時,對應于該相的電壓線圈中的磁通量也會增加,造成三相磁通向量的不平衡,此時在同一個磁路中的鐵芯上的另外兩相電壓線圈的磁通量就會自動增加,以維持磁路中的平衡,這就使得另外兩相電壓線圈中得自感電動勢也自動增加,從而維持了三相電源電壓相互間的平衡關系,相互補償磁芯的磁通量,最大限度地控制各相感應電動勢的一致性,從而保持三相平衡。同時通過電感之間電磁相互作用,回收彼此反相的剩余電流和無功功率以最大限度的節省電能,提高功率因數。使用電設備在三相電源平衡、對稱的狀態下優質運行,可以消除因線路三相電源不平衡所帶給負載設備對能量消耗量的增加,同時避免了用電設備因電源不平衡而產生的危害。

電能質量優化裝置控制原理
八、應用系統圖

九、訂貨須知
1、訂貨時應提供:系統額定電壓、柜體尺寸和主母線排列方式及詳細接口尺寸
2、如有特殊要求應在訂貨時提出,額外附件和備件,應在訂貨時注明型號和所需的數量
3、裝置抵達后,可參照《使用說明書》進行安裝、操作和維護。
HKC-DYZ-Z照明型電能優化裝置簡介
應用范圍
適用于大型工礦企業、公共場所、商業企業、辦公場所、城市亮化等的照明系統。
技術分析
當前,很多用電場合開始使用節能燈具,而絕大部分的節能燈具都是感性負荷的燈具,其對電網的直接影響就是增大系統無功。再者,由于高壓送電的原因,電網的供電電壓總是高于照明設備的額定值,尤其是夜間電壓更高,形成了電能的過剩供給,照明設備長期運行在高電壓環境下,將會大大縮短其使用壽命,并造成電能浪費。另外,燈具發光效率在不同供電參數時不同,過高的供電參數對發光不起作用,反而使燈具發熱,鎮流器產生噪音。
◆照明燈具發光效率在不同供電參數時不同,過高的供電參數對發光不起作用,反而使燈管過熱,鎮流器產生噪音。傳統鎮流器型燈具使用壽命長,很少產生電流諧波,但效率低,無功部分耗電達20%;目前應用的電子鎮流節能燈具特別是緊湊型節能燈具功率因數高,但電路部分集中發熱容易損壞,影響壽命,功率越小越容易損壞;
◆城市路燈,下半夜的供電參數普遍較高,耗電量額外增加,容易造成路燈的老化損壞。HKC-DYZ-Z電照明型電磁式電能優化裝置具有延時啟動、欠壓自動補償、自動進入節電狀態、過流、缺相、短路保護等智能功能。可調整照明燈具供電參數,抑制電壓波動,減少大電流沖擊,根據不同季節、時段和場所設定路燈的開關時間,可有效地延長燈具的使用壽命。
HKC-DYZ-Z照明型電磁式電能優化裝置通過調整輸出功率,解決供、配電電壓過高的問題,實現優化供電,使照明設備在滿足亮度的前提下,始終工作在最佳狀態,達到節電和延長燈具使用壽命的目的。
HKC-DYZ-M 動力型電能優化裝置簡介
應用范圍
適用于各種高、低壓三相異步電機的動力設備。
技術分析
通常情況下,工業電機負荷設計匹配都有5%—10%安全使用裕量,配電功率較大。電機實際使用過程中60%以上的電機長期處于變化負荷或輕負荷運行狀態,電機效率低,電機自身損耗和無功損耗很大,在各項供電參數都較高的地區和時間段,線路損耗會更大。對于啟停、負荷波動頻繁的用電設備,還會產生頻繁波動的沖擊電流。
HKC-DYZ-M 電機型電磁式電能優化裝置根據電動機的工作特性,采用功率自動跟蹤檢測調節方式,使電動機達到最佳效率的工作匹配,在保證電動機正常運行的條件下,使電動機的輸出轉矩與負荷實際需要的功率匹配,工作電流降低到最小,降低配電功率大造成的空載損耗,提供功率因數,提供電動機運行效率,達到節電的目的。
◆不改變電機轉速,不降低電機工作效率,自適應跟蹤功率調節,提高功率因數及運行效率。
◆不產生諧波干擾,對電網無污染,并能抑制電網中高次諧波,是真正的環保節能產品。改善運行性能,抑制線路中瞬變電壓,降低用電設備運行噪音、振動和溫升,延長電機使用壽命,減少維護費用。
◆具有良好的軟啟特性和很強的過負荷能力,啟動電壓可調,在大功率電機上使用可替代降壓啟動裝置。
◆不受用電環境制約,無需對原有用電線路進行改造,自動控制,無需專人看管維護。
HKC-DYZ-H 混合型電能優化裝置簡介
應用范圍
適用于三相異步電機、燈光照明等混合負載的用電系統。
技術分析
由于高壓送電原因,電網的供電電壓總是高于設備的額定值,尤其是夜間電壓更高,形成了電能過剩供給。用電設備長期運行在高電壓環境中,將會直接縮短其使用壽命,并造成電能浪費。
HKC-DYZ-H混合型電磁式電能優化裝置通過對用電設備的電流、電壓的反饋和計算,尋求用電設備的最佳工作狀態,解決供、配電電壓過高的問題,保持終端設備用電電壓的穩定,調整輸出功率,實現優化供電,從而實現節電和延長使用壽命的作用。
◆不產生諧波干擾,對電網無污染,能抑制電網中的高次諧波,是真正的環保節能產品;
◆智能控制,無需人工調控;
◆提高系統的功率因數,降低線路無功損耗;
◆不改變原有線路的控制方式,安裝、維護便捷;
◆延長用電設備的使用壽命,減少維護成本;
◆通用性強,既能適應電機負載,又能適用各類燈光負載,以及各種混合負載類型。

